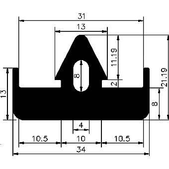
Profiles

Spacer and bumper profiles